Предназначена для установки на земснаряд.
Лебедка электрическая рамоподъемная ЛР-5 используется для подъема и опускания рамы грунтозаборного устройства, свай, а также для выполнения папильонажных работ на земснаряде.
Отгрузка осуществляется автомобильным или железнодорожным транспортом.
Производитель гарантирует соответствие электрической лебедки требованиям действующей технической документации и безотказную работу в течение гарантийного срока, при условии соблюдения потребителем правил эксплуатации, транспортирования, хранения и монтажа.

Также мы можем предложить Вам широкий ассортимент комплектующих и запчастей к данному типу оборудования.
|
Макс. тяговое усиление на канате, т
|
5 |
|
Канатоемкость барабана, м
|
250 |
|
Скорость навивки каната на 1-м слое, м/с
|
0,3 |
|
Вес лебедки без каната, кг
|
1700 |
|
Габариты, мм
|
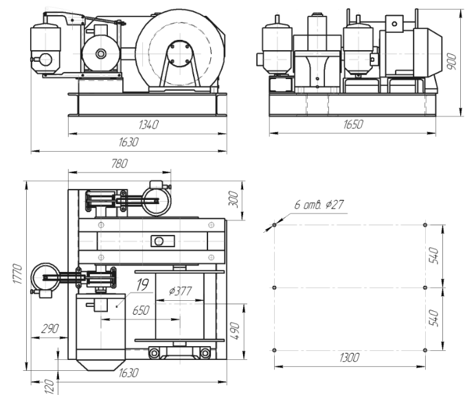
1750х1630х900 |
|
Мощн. электродвигателя при ПВ 40%, кВт
|
18,5 |
|
Диаметр каната, мм
|
22,5 |
|
Электрический ток, В; частота, Гц
|
380; 50 |
Оплата заказа для юридических и физических лиц.
1. Оплата по Счету, Счет-договору (для юридических лиц и ИП с расчетным счетом).
1.1. После согласования заказа наш менеджер отправляет на email клиента Счет и Спецификацию или Счет-договор (в зависимости от условий сотрудничества).
1.2. При доставке транспортной компанией (ТК) Продавца «до дверей», ее стоимость выделяется отдельной строкой в Счете/Счет-договоре.
1.3. Доставка «до терминала ТК» будет бесплатной.
1.4. Срок действия Счет-договора 7 календарных дней. По их окончании программа автоматически расформировывает Счет-договор – бронь снимается.
2. Оплата товара.
2.1. Оплата принимается по безналичному расчету путем перевода денежных средств с р/с Покупателя на р/с Продавца.
2.2. При оплате наличными вы дожидаетесь курьера и передаёте ему сумму за товар в рублях. Покупатель подписывает документы, вносит денежные средства и получает чек.
2.3. Датой оплаты считается дата зачисления денежных средств на р/с Продавца.
Подробнее об условиях оплаты читайте в разделе Условия оплаты.
Доставка производится по России и странам СНГ. Предлагаем несколько вариантов отгрузки товара.
1. Доставка транспортной компанией (ТК) или курьерской службой Покупателя.
1.1. Мы сотрудничаем с транспортными компаниями:
- Транспортная компания КИТ.
- Деловые линии.
- ПЭК.
Также доставка может быть осуществлена:
- транспортными компаниями;
- авиа- и ж/д транспортом;
- контейнерными перевозками;
- экспресс-почтой, либо курьерской доставкой;
До транспортной компании доставляем бесплатно.
1.2. Покупатель может самостоятельно заказать услуги ТК или курьера и забрать заказ по адресу г. Екатеринбург, ул. Артинская, 6а.
2. Самовывоз со склада Продавца.
Если товар есть в наличии на складе, то заказ можно забрать на следующий день после получения оплаты или в день оплаты при наличии платежки с отметкой банка о проведении платежа. Если товар «под заказ», приезжать за ним можно после уведомления нашего менеджера.
Важно! Перед приездом или отправкой курьера необходимо связаться с менеджером и уточнить готовность товара к отгрузке.
Услуга доступна по адресу г. Екатеринбург, ул. Артинская, 6а, офис 2, с 9:00 до 17:00.
3. Доставка заказа ТК Продавца «до дверей» Покупателя.
Подробнее об условиях доставки читайте в разделе Условия доставки.
